Дастури AdPLIFIOM AUPPERMIAMERS
ASPLION ASDA7293 ASPLEST-и якбора як ҷуфти ҳамаҷонибаест, ки барои аризаҳои баландсифат ба та...
Oct 04
Тамошо: 8946
74HC00
узви намоёни оилаи мантиқии CMOS CMOS CMOS CMOS дар як бастаҳо, фишурдани технологияи кримикон-дарвозабон барои боз ҳам ба суръати амалиёти LS-TTL бо суръати баланди барқ аст.Ин омехтаи суръат ва самарабахшӣ, ки қобилияти худро ба даҳ борҳои LS-TTL афзоиш медиҳад ва фишурдани дохилӣ барои муҳофизати электростатикӣ, ки 74 соатро ҳамчун як ҷузъи гуногун ва боэътимод ҳамчун ҷузъи боэътимод дар тарроҳии рақамии рақамӣ афзоиш медиҳад.Шумо метавонед натиҷаҳои носаҳеҳро барои тақвият бахшидани бемории мукаммал ва мутобиқати он бо якчанд эквиентҳои стандартӣ ва он қадр кунед, ки онро тайёр мекунад, ки онро ороишгар дар эҷоди системаҳои инноватсионӣ ва боэътимод компост.
74HC00
RENESAS
74HC00 ST SOP
In Stock: 6124 pcs

Пашна
74HC00
Бо ҳамҷоя кардани чор дарвозаи радио, ки бо ҳамҷоя кардани он бо оилаи LS-TTL қайд карда шудааст.
74HC00
RENESAS
74HC00 ST SOP
In Stock: 6124 pcs
Дар технологияи CMOS CMOS SMOS CMOS-ро истифода бурдани суръати амалиётӣ ба LS-TTL ҳангоми нигоҳ доштани тамаркуз ба истеъмоли қувваи барқ ба даст меорад.Ин тавозун ба шумо имкон медиҳад, ки ҳам суръат ва ҳам самаранокӣ ва инкишоф додани инкишоферо, ки бо донишмандон ҳамоҳанг ҳастанд, ба шумо расонад.Натиҷаҳои BUFFESTEDEDEDESSEDESSEDEDSEDESSION-и буферӣ ба масуният дахлдоштаро тақвият медиҳанд, омиле, ки ба мӯътадил дар муҳити душвор мусоидат мекунад.
Касури он ба даҳ борҳои LS-TTL табдил додани он барои системаҳо мувофиқ аст, ки натиҷаҳои зиёди сигнал дилхоҳанд.
Бо қуфлчаи дохилӣ муҷаҳҳаз шудааст, он хавфҳои марбут ба ихроҷи электростатикиро кам мекунад.Ин хусусият нақши худро дар паҳн кардани дарозмуддати дарозмуддати дарозмуддат қайд мекунад, яъне инъикос кардани хирад дар ҷустуҷӯи эътимоди дарозмуддат.
Иваз ва эквивалентҳо:
•
CD4011
CD4011
I-CORE
701
In Stock: 25220 pcs
• MC54HC00DD
• Sn54ls00
• sn74hct00dte4
• 74hct00

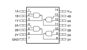
• Тасвирҳо 1, 2, 4, 5, 9, 10, 13, 13: Воридкунии маълумот
Ин ҳавзҳо барои гирифтани сигналҳои вуруд ба дастовардҳои мантиқии дар дохили чипҳо, ба даст овардани сигналҳои вурудии онҳо.Таъмини ин ашё аз дахолати фоҳишаҳо озод аст, ки рафтори ноҳиявӣ, ки барои назорат ва пешгӯӣ инъикос ёфтаанд.
• Тасвирҳои 3, 6, 8, 11: Натиҷаҳои маълумот
Амалҳо ҳамчун натиҷа, ин пинҳо натиҷаҳои ҳисобкуниҳои дохилии дарро мегиранд.Онҳо метавонанд дар ин чораҳои гуногуни мантиқии рақамӣ кор кунанд, бо бофтани шакли мантиқи мураккаб.Вақте ки митинги сершумори сершумор ба як баромади ягона пайваст карда мешавад, натиҷаи пуркунии эҳтимолии ба тавозуни нозуки дар муносибатҳои мураккаб лозим аст.
• PIN 7: Замин (GND)
Ин PIN-ро ба заминҳои система пайваст мекунад, то нуқтаи муттасили шиддатро таъмин кунад.Таъсис додани чунин пайвастагии мӯътадил, ки бо истеъдоди табиии асоснок ва возеҳӣ, кам кардани халал мерасонанд, халал мерасонад.
• PIN 14: Таъмини мусбати нерӯи барқ (VCC)
Ғизодиҳии шиддати дуруст тавассути ин PIN иҷрои кори дастгоҳро дастгирӣ мекунад.Ҳангоми нигоҳ доштани доираи муқарраршуда интизориҳо ва самаранокиро, ҷойгиркунии шокунишҳо дар наздикии сатри қудратҳо метавонад амалиётро ба таври назаррас меҳисобанд, амалиётро ба таври назаррас бардоранд, ки инсулгоҳҳои аслиро барои идоракунии душвориҳои ҳаёт арзон намояд.
74HC00
бо чор як чаҳор дарвозаҳои мустақил тарҳрезӣ шудааст, ки таваҷҷӯҳ ба самаранокии барқ, ҷалби шуморо бо иҷрои боэътимоди худ дар даври рақамӣ ҷалб мекунад.Масунияти таъсирбахши он ба барномаҳои мӯътадил мусоидат мекунад, ки бисёриҳо лоиҳаҳоро ба лоиҳаҳо авлавият медиҳанд, ки афзалиятнокиро афзалият медиҳанд.Дар форматҳои хип ва суқут дастрас аст, ки он ба талаботи гуногун тарроҳӣ ҷавобгӯ аст ва имконоти тарҳҳои тағйирёбандаи PCB-ро пешниҳод мекунад.
74HC00
RENESAS
74HC00 ST SOP
In Stock: 6124 pcs
Мутобиқати 74hc00 ба он имкон медиҳад, ки ба доираи васеи конфигуратсияи дарвозаи мантиқӣ ва системаҳои мураккаб мувофиқат кунад.Шумо метавонед қобилияти рондани саҳро / баромади онро, пайдо кардани он барои ҳаҷми вазифаҳои комплексии рақамӣ муфид сарф кунед.
Қобилияти он ба фаъолияти шароити гуногун дар соҳаи маориф ва прототипи прототипи 74 соат асос ёфтааст.Осонии он, ки тавассути он ба зиёд шудани мураккабии ноҳиявӣ мутобиқ мешавад, шумо навовариҳои навро бидуни иҷрои қурбонии қурбонӣ омӯхтан.
Асбобҳои Техас эътибори худро ба эҷоди захираи боэътимод ва замини бетараф ба вуҷуд овард.Бо тамаркузи участкавии онҳо ба давомнокӣ ва иҷрои олӣ, компонентҳои Texas дар қалбҳои сершумори Техас, ки нақши муассирро дар соҳаи электроника нишон медиҳанд, пайдо мекунанд.
Андозагирии 8.65 мм x 3.91 мм x 1.58 мм, 74H00 тарроҳии ҳамвор барои муҳити мураккаб дахол мекунад.Ин самтҳои содда кардани ҳамгироӣ ба тарҳҳои мухталифи ноҳиявии ноҳиявии ноҳиявии ноҳиявии ноҳиявии ноҳиявии ноҳиявӣ, ки имкон медиҳанд, ки фазои маҳдудро бепарвожаи назарраси дастгоҳ халалдор кунанд.
Шӯрои шиддати таъминот аз 2V то 6V, ки мутобиқшавӣ дар интихоби манбаъҳои қудратӣ ва мутобиқатро бо доираи васеи мўҳлати рақамӣ пешниҳод мекунанд.Ин диапазони мазкур замимаҳои гуногуншаклиро дастгирӣ мекунад, ки 74 соатро ба тағир додани талабот дар муҳити динамикӣ одат мекунад.
Муфассалтар аз байни -40 ° C ва 85 ° C, дастгоҳ барои рафъи иқлими гуногун ва шароити истеҳсолӣ тарҳрезӣ шудааст.Муқовимати он бар зидди оти ҳарорат ба он интихоби писандидаи истеъмолкунандагон ва барномаҳои саноатӣ, ки дар он ихтилофи экологӣ дода шудааст, нишон медиҳад.
Пешниҳоди таъхири табобати 23 нanосоци
74HC00
дар самти самаранокии коркарди самаранокии функсияҳои баландсифат талаб карда мешавад.Иҷрои SWIFT барои барномаҳо ба монанди назорати рақамии рақамӣ ва системаҳои коммуникатсионӣ муфид аст, ки дар онҷо мубодилаи фаврӣ зарур аст.
74HC00
RENESAS
74HC00 ST SOP
In Stock: 6124 pcs
Дастгоҳ 4 дарро дар бар мегирад, барои амалиёти мантиқии Nanc, ки функсияҳои назаррасро барои тарҳҳои мантиқии дастӣ таъмин мекунанд.Ин танзимот муфид аст, ки барои иҷрои самарабахши мантиқӣ, таъмини зуд ва коркарди боэътимод дар система татбиқ карда мешавад.
Фаъолият ҳамчун дарвозаи мантиқӣ, 74HC00 ҳамчун як ҷузъи асосӣ дар офариниши рақамии рақамӣ хизмат мекунад.Шумо метавонед ин элементҳоро барои сохтани системаҳои мураккабии рақамӣ истифода баред, аз ин рӯ тавонмандсозии қобилиятҳои компютерӣ ва имконоти коркарди компютерӣ дар роҳҳои инноватсионӣ.
74HC00
чорвизҳои алоҳидаеро муттаҳид мекунад, ки ҳар яке бо ду ашё ба баромади ягона оварда мерасонад.Амалиёт аз ҷадвали муфассали ҳикмати хуб вобаста аст.Махсусан, натиҷаҳои баромади пастро танҳо дар он ҷо паст мекунад, агар ҳарду саҳмҳо баланд бошанд.Дар акси ҳол, натиҷа дар тарҳи мантиқии рақамӣ, унсури ибтидоии вокуниш ба сифати як ҷузъи асосии ҳунармандӣ амал мекунад.
74HC00
RENESAS
74HC00 ST SOP
In Stock: 6124 pcs
Назари мусбат маҳз ба субот дар саросари ин минтақаҳо таъсир мерасонад.Азбаски ҳар як дарвозаи он ворид намудани ашёи он, фикру мулоҳизаҳо барои тақвияти ҳолати мӯътадил, ҳавасмандгардонии иҷрои пайдарпай хидмат мекунад.Ин мувозинати мувозинат бо зарбаҳои дарвоза бо арзишҳои вуруд ба даст меояд.Шумо метавонед ба ин ҷиҳат, шумо метавонед дар ин ҷанба илова кунед, то дар бораи давлатҳои вобастагии мантиқии мантиқӣ, ки як қабати пешгӯии боэътимодро ошкор кунад.
Дурнамои динамикаи баромади вурудро дар дарвозаҳои Nances дар дарвозаҳои Nancies коҳиш диҳед, ки потенсиали тарроҳии даврашударо такмил медиҳад.Барномаҳои умумӣ флип-флип-флипҳои сохтмони Flip-Scrops ва иҷрои вазифаҳои мантиқӣ ба монанди ва ё амалиётро дар бар мегиранд.Чунин амалиётҳо қабули онҳоро дар саросари заминаҳо таъкид мекунад, ки аз механизмҳои назорати мустақим ба чаҳорчӯбаи мураккаби компютерҳои шахсӣ таъкид мекунад.
Мулоҳиза дар бораи истифодаи васеътари 74 соат, иҷроитивазидаи он аҳамият дорад, ки дар соҳаҳое, ки истеъмоли истеъмолӣ ба автоматиконии истеҳсолӣ истеъмолкунандагонро пешбинӣ мекунад.Қудрат барои ташкили ин минтақаҳо дар чаҳорчӯбаи мухталифи мантиқӣ ба озодии эҷодӣ озодии эҷодкорӣ, инноватсияро ташвиқ мекунад.Принсипҳои асосии GANESS ҳалли онро барои монеаҳои беназири технологӣ илҳом бахшиданд.
74HC00
як чорвои дувоздаҳ квадратӣ мебошад, ки бо дақиқии аҷиб сохта шудааст.Он як омехтаи ҳамоҳангсозии амалиёт ва мураккабии технологӣ мебошад.
74HC00
RENESAS
74HC00 ST SOP
In Stock: 6124 pcs
• Дар доираи қағири шадид фаъолият мекунад
• Таъхири зудро намоиш медиҳад
• Барои амалиёти баландсифат ва каммасмӣ мувофиқ
• Рушди ва ҷорӣ: Ин компонентҳо дар тӯли фарохтарии сатҳи шиддат, ҷойгир кардани гуногунии тарроҳӣ фаъолият мекунад.
• Қатри ҳарорат: дар ҳолатҳои гуногуни ҳарорат боэътимод ва имкон медиҳад мутобиқшавӣ ба шароити гуногуни экологӣ.
• Умуман истифодашуда: Қисмати гуногунҷанба, он дар маисаҳои рақамии MYRIAD, ки аз вазифаҳои ҳамарӯза ба барномаҳои мураккаб бо файз ҷой дода мешавад.
• Иҷрои тавсияҳои мушаххас: Истифода аз электроникаи истеъмолкунандагон ба механизмҳои саноатӣ, 74pc00 беқонунӣ ҳамзамон ва дар ҳар як барнома зуҳури худро нишон медиҳад.
Чипи 74 соат моддаҳои назаррас мутобиқати назаррас, зуд-зуд дар контекстҳои мухталифи электронӣ ба шарофати спектри васеи функсияҳои худ.
Аъзои 74xc00 Advestly ҳамчун буферӣ ё ронанда, мусоидат ба пайвасти ғайримуқаррарӣ дар тӯли митсҳо.Бо кам кардани миқдори шиддати ва таназзули сигнали шадид, он алоқаи мувофиқ байни ҷузъҳоро муқаррар менамояд.Дар электрони электронӣ, ки қобилияти 74 соатро барои фаъол кардани иқтидори микрокронтерӣ ё модулҳои релеф, хусусияти зуд-зуд дар лоиҳаҳои DIID, хусусияти сабуктарро баланд мекунад.
Ин чип ба амалиёти мантиқӣ, ба монанди минтақаҳои Nanc, ташаккул додани аслии системаҳои мураккаб.Ҳамгироии собитандаи он ба замини гуногуни мантиқӣ қобилияти онро таъкид мекунад.Дар тарроҳии рақамӣ, фишангҳои Nands ба шумо тақдим мекунанд, ки доираи ягонаи мантиқии мантиқиро бо ҷузъҳои камтар ва ҳам пайгирӣ созанд, бунёд кунед.
Дар доираи системаҳои дохилӣ, таҳқиқи 74HCING ActionSctions Вазифа тавассути ворид кардани функсияҳои мантиқӣ дар доираи ташаббусҳои микрокомончӣ.
Дастгоҳҳои сершумори IIP ин чипро барои иҷрои санҷиши шартӣ ва идоракунии дастгоҳҳои перпорификӣ, баланд бардоштани вокуниши вокуниш ва вобастагии система истифода мебаранд.
74HC00
дар мубодилаи сатҳ, ислоҳоти сатҳи сигнал дар байни гардиши гуногун нақши муассирро таъмин мекунад.Ин ба интерфейси ҳамворро аз компонентҳо бо рейтингҳои гуногуни шадид мусоидат мекунад.Дар ҳолатҳои омехта, ба монанди алоқаманди микрокунаки 5V ба Сенсор 33V пайвасти $ 3.3V, 74HCH00 холигоҳро, ки тақсимоти дақиқро таъмин мекунад, пурзӯр мекунад.
74HC00
RENESAS
74HC00 ST SOP
In Stock: 6124 pcs
Масофаҳо инчунин дар вақти баҳодиҳӣ ва идоракунӣ, коидоӣ ба ҳамоҳангсозии дақиқи вазифаҳои мушаххаси мантиқии вуруд, ба монанди дравитҳои хатти ва ponse.Рамзҳои барқароркунии спектинг бо 74hc00 дар вазифаҳо ба монанди системаҳои ҳамоҳангсозии алоқа, бехатарии маълумотҳо тавассути идоракунии вақти зоид.
74hc00 ҳамчун муқоисаи рақамӣ барои муқоисаи дуӣ барои муқоисаи дуӣ, барои қабули қарорҳо дар доираи чаҳорчӯбаи рақамӣ фаъолият мекунад.Он баробарӣ ё фарқияти байни рақамҳои дуӣ.Бо истифода аз 74 соат барои муқоисаи 74 соат барои муқоисаи намудҳои фаниявӣ барои иҷрои қарорҳои гуногун дар протоколҳои мухталиф, тақвият додани иҷрои система дар фаъолиятҳо мебошад.
74hc00 чор дарвозаҳои мустақили 2-и мустақил 2-ро дар бар мегирад, ки дар доираи қудрати 2.0V то 6.0V амал мекунад.Ғайр аз системаҳои мантиқии рақамӣ, он ба ташаккули амалиёти мантиқӣ имкон медиҳад, ки болоравии меъмории мураккаби рақамиро ташкил медиҳад.
74LS00 маҷмӯи чор дарвозаҳоро ташкил медиҳад, ки ҳар яки онҳо бо ду саҳм ва баромади суруд иборат аст.Ин танзимот ҳангоми таҳияи бахшҳо дар электроникаи рақамӣ интихоби муайяни интихоб аст.
Фарқияти асосӣ мутобиқшавии шиддатноки онҳо аст.74HC00 дар дохили 2V то 64 кор мекунад, дар ҳоле ки 74LS00 ба таъминоти 5V маҳдуд аст.Интихоб аксар вақт аз фарқиятҳои эҳтиёҷот ва омилҳои экологӣ вобаста аст.
Силсилаи 74HC, кисми 74HC-и суръати баландшумории CMS-и СММ мебошад, ки суръати TTL-мувофиқро бо истеъмоли камкардашуда пешниҳод мекунад.Мутобиқати онҳо бо 74LS тренинги "Тарҳҳои PIN" барои ҳамгироии осон ва иваз дар мриторҳои мавҷуда имкон медиҳад.
Дар масофаи рақамӣ 74 тоняст, ки дар он ҷойҳои мантиқии NAN барои безарариятҳои сигналӣ ва иҷрои амалҳои мантиқии мантиқӣ талаб карда мешаванд.Мутобиқатнопазирии он онро дар заминаҳои таълимӣ ва корхонаҳои электронии касбӣ сурат мегирад.
Oct 04
Тамошо: 8946
Nov 11
Тамошо: 6346
Apr 16
Тамошо: 451
Apr 16
Тамошо: 407
Apr 16
Тамошо: 347
Apr 16
Тамошо: 367
Apr 15
Тамошо: 491
Apr 15
Тамошо: 456